根据《关于举办第七届全国大学生工程训练综合能力竞赛的通知》(工训赛字 7-01【2020】)和《上海市教育委员会关于公布2020年支持举办学科竞赛活动名单的通知》(沪教委高〔2019〕60号)文件要求,第七届全国大学生工程训练综合能力竞赛定于2021年5月初至6月底举行(简称:国赛),第十届上海市大学生工程训练综合能力竞赛(简称:市赛)将于2021年3月举行,第十届上海大学大学生工程训练综合能力竞赛(简称:校赛)暨第七届国赛和第十届市赛选拔赛初赛定于2020年12月13日,决赛定于2021年1月16日-17日举行。为规范第十届上海大学大学生工程训练综合能力竞赛各项工作,遵循“公平、公正、公开、科学、规范”的原则,特制订本规则。
一、竞赛须知
1. 参赛对象为上海大学本科生,无专业限制;
2. 竞赛报名以参赛队为单位,每个参赛队参赛学生3~4人;
3. 参赛学生登录https://gcxl.innovator.fun/网站进行注册报名,报名截止日期为12月6日;
4. 参赛队以抽签形式获得竞赛抽签号,参赛队比赛的顺序按抽签号依次进行;
5. 本次竞赛主要包括工程基础赛道的势能驱动车和热能驱动车;“智能+”赛道的智能搬运机器人(机器人和桥梁)、生活垃圾智能分类、水下管道智能巡检、智能配送无人机赛项;虚拟仿真赛道包括工程场景数字化和企业运营仿真赛项;虚拟仿真赛道的飞行器设计仿真和智能网联汽车设计赛项直接参加有相应的组委会组织的竞赛,关注国赛网上的通知。
6. 所有参赛作品必须符合第七届全国大学生工程训练综合能力竞赛工程基础赛道(工训赛字 7-02【2020】)、智能+赛道(工训赛字 7-03【2020】)虚拟仿真赛道(工训赛字 7-04【2020】)对的要求,必须自主设计并制造各赛项的参赛作品(除标准件外),不允许使用购买的成品套件拼装而成。
7. 本届竞赛分为初赛(工程基础赛道和智能+赛道)和决赛(所有赛道,工程场景数字化和企业运营仿真赛项按照该竞赛组委会要求进行)。
二、初赛要求
2020年12月13日进行比赛(具体日程安排另行通知),各参赛队在12月9日12点前将下列材料提交至竞赛秘书处。
1、详细设计文档(纸质文档)3份;
2、各参赛队准备5分钟PPT演讲;
3、详细方案文档的具体要求
1)结构设计方案(见附件一模板)
(1)完整性:小车装配图1幅、要求标注所有小车零件(A3纸1页);
装配爆炸图1幅(所用三维软件自行选用,A3纸1页);
传动机构展开图1幅(A3纸1页);
设计说明书1-2页(A4)。
(2)正确性:传动原理与机构设计计算正确,选材和工艺合理。
(3)创新性:有独立见解及创新点。
(4)规范性:图纸表达完整,标注规范;文字描述准确、清晰。
(5)可加工性和可装配性(设计的图纸满足加工和装配要求)。
2)电路设计方案(智能+赛道)(见附件二模板)
(1)完整性:程序流程图1幅(A3纸1页);
电路图1幅,要求标注所有电子元器件(A3纸1页);
PCB板图1幅(A3纸1页);
电路设计说明书1-2页(A4)。
(2)正确性:控制、通讯原理与电路设计正确,器件选则合理。
(3)创新性:有独立见解及创新点。
(4)规范性:图纸表达完整,标注规范;文字描述准确、清晰。
三、决赛要求
1、工程基础赛道
1)现场拆装及调试
抽签产生现场实践环节的障碍桩间距。
参赛队必须将本队参赛驱动车上安装有齿轮、凸轮、链轮和皮带轮等传动构件的轴(驱动轴、变速轴和转向轴)从驱动车上拆下,以及所有零件从轴上全部拆卸,拆卸完成后,按照抽签结果,装配并调试驱动车。
拆装工具自带,有安全操作隐患的不能带入。如需使用机床加工,可提出申请,经裁判批准,可到车间进行普车、普铣、钻孔等常规加工作业,所需刀具和量具自备,所用时间计入总时间。
2)现场运行
现场抽签决定各参赛队比赛顺序及场地。
势能驱动车采用规定重量和规定高度差的重物(自备)驱动,热能驱动车使用统一配置的相同质量的液体乙醇燃料燃烧产生的热能驱动,驱动车在赛场的出发区按环形运行方式逆时针方向布置赛道(活动隔板封闭缺口)。
参赛队在规定调试时间内将其驱动车放在出发区内的位置自行决定,不能压线,按统一指令启动驱动车,沿逆时针方向按环形运行方式自动前行,直至运行停止。
每个参赛队有两轮运行机会,取两次成绩中的最好成绩。
2、智能+赛道
1)智能搬运机器人赛项
(1)机器人
现场抽签决定各参赛队比赛顺序、赛位号及竞赛任务。
参赛队将其机器人放置在指定出发位置(如图1所示蓝色区域),按统一指令启动机器人,计时开始。在规定的时间内,机器人移动到二维码显示板前读取二维码,获得所需要搬运的三种颜色物料的搬运顺序。然后机器人移动到原料区按任务规定的顺序依次将上层物料准确搬运到粗加工区对应的颜色区域内,将三种物料搬运至粗加工区后,按照从原料区上层搬运至粗加工区的顺序将已搬到粗加工区的物料搬运至半成品区对应的颜色区域,将粗加工区的三个物料搬运至半成品区后,返回原料区,按任务规定的顺序依次将下层物料准确搬运到粗加工区对应的颜色区域内,将三种物料搬运至粗加工区后,按照从原料区下层搬运至粗加工区的顺序将已搬到粗加工区的物料搬运至半成品区,该三个物料在半成品区既可以平面放置,也可以在原来已经放置的物料上进行码垛放置(颜色要一致),二者分数的权重不同,完成任务后机器人回到返回区。粗加工区和半成品区平面正确放置的度量标准均以每级色环外界垂直方向看到该色环外圈来评分,码垛放置以是否平稳放置在已有的物料上来评分。
在搬运过程中,应将物料放置在机器人上,机器人每次装载物料的数量不超过3个。
在竞赛时,两台机器人同时进入上述场地并在各自区域内定位和运行。如果出现越界并发生妨碍对方机器人移动或工作的情况,将被人工提起回退至上一工作地点重新运行,所用时间不会从竞赛计时中减除。
在规定的时间内,根据读取二维码的正确性、物料提取顺序和物料放置顺序的正确数量,粗加工区的平面放置准确程度和半成品区物料的平面放置和堆垛准确程度、是否按时回到出发区等计算成绩。
每个参赛队有两轮运行机会,取两次成绩中的最好成绩。

图1 机器人决赛赛场示意图
(2) 桥梁
桥梁模型安装至加载装置中(如图1所示)后,需进行测量面定位测试。若测量面超出中央位置范围(通过激光位移计定位测试,激光点不落在反光片上),则认定桥梁模型制作不合格,不能参加后续环节。
桥梁模型加载试验采用标准秤砣铸铁砝码(包括1kg、2kg和5kg)加载。加载分两级,其中第一级加载小车的载重量为5kg,第二级加载为自定义载重量,载重量在第一次加载的基础上,按照2 kg的倍数增加,且不大于30kg。参赛前需预报自定义加载重量。
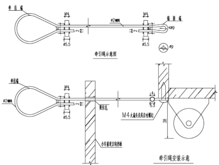
参赛队自行加载。加载小车在桥面上行驶采用参赛队手工牵引方式进行。每次加载过程中,小车行驶至桥梁中央指定位置处必须停止10秒钟。小车停止的时间段内激光位移计测量桥梁模型中央测量面位移,记录10秒钟小车停止时间段内的最大位移值作为该次加载的桥梁模型跨中竖向位移,10秒钟后继续行驶,顺利通过桥梁全程的认定为该次加载成功。
每队只有一次加载机会,进行两级加载。根据各参赛队桥梁的荷重比以及加载时的最大位移计算现场初赛成绩。
加载过程中,如果出现下列任一情况,将视为加载失败,退出加载试验:
①桥梁模型跨中的最大竖向位移越过规定的限值(20mm);
②因桥梁模型主要构件出现失稳、结构变形过大和破坏等本身原因。
附:加载用的小车由组委会统一提供,由层压板制成。小车整体自重300g±5,具体尺寸如图2所示。



图2 加载用小车模型
每个参赛队只能有一轮运行机会。
2)生活垃圾智能分类赛项
现场抽签决定各参赛队竞赛任务及“满载检测”的垃圾种类,投放的垃圾总数,以及比赛顺序。
现场实践环节包括垃圾分类和满载检测两环节。每个环节有两次运行机会,取两次成绩中的最好成绩。现场实践成绩为两环节成绩之和。
各参赛队按统一指令启动生活垃圾智能分类装置,计时开始。在规定的时间内,指定一名选手(该轮比赛过程中不能换人)每次将一件垃圾按照竞赛要求放到该装置的垃圾投放口,待该装置将垃圾投入到垃圾桶和分类信息显示后再投放下一件垃圾到该装置的垃圾投放口,否则不计分。
每个参赛队有两轮运行机会,取两次成绩中的最好成绩。垃圾分类比赛结束后进行两轮垃圾满载检测,各参赛队必须在规定时间内完成。
3)水下管道智能巡检赛项
现场抽签确定各参赛队比赛顺序。
抽签确定吸附物在水下管道上的位置,吸附物的形状和数量。
参赛队将水中机器人放置在出发区等待出发,裁判将遮挡物放在出发线上。根据现场统一指令,启动机器人,裁判移开遮挡物同时计时开始。
在规定时间内,水中机器人从出发区沿着水下管道游动进入浅水区,然后经过渐变区,再到深水区,在这个过程中进行水下管道吸附物的检测并报警,当检测到吸附物时,按照吸附物的不同形状闪烁不同颜色的灯光。
完成全部任务后,水中机器人回到返回区时计时结束。
在规定时间内,根据水中机器人正确检测到吸附物并正确报警、是否按时回到返回区等计算成绩。
每个参赛队有两轮运行机会,取两次成绩中的最好成绩。
4)智能配送无人机赛项
现场抽签决定各参赛队比赛顺序、障碍物和BC投放区的位置,以及提交无人机的运行模式,初赛时货物的投放的顺序为A、B、C货物放置区。
参赛队将无人机放置在起降区,准备好后举手示意,按统一指令开始比赛,计时开始。在规定的时间内,选手按照要求将货物装载到无人机后,启动无人机,按照规定投放顺序将货物投放到A、B、C区,每个货物放置区仅有一次投放机会,投放货物至B、C区时,必须越过障碍后到达货物放置区完成投放任务。当无人机完成C区的投放任务后,返航降落到起降区时停止计时。在规定的时间内,根据无人机起飞、越障、投放货物准确程度、降落、是否按时回到起飞点等计算成绩。
每个参赛队有两轮运行机会,取两次成绩中的最好成绩。
3、虚拟仿真赛道
1)工程场景数字化赛项
根据命题要求,专家分别独立体验及评价各参赛队的游戏作品,并给出该环节的成绩。
本环节重点考察参赛作品的实际体验,主要包括游戏表现、工程内涵、完成度三个方面。
(1)游戏表现
① 玩法创意:清晰表达核心玩法和创意。相对于同类型游戏,玩法要足够有趣,具有创新,易于理解,富有深度。
② 表现力:美术品质、视觉效果、UI等;音乐和音效表现力充足。
③ 体验设计:游戏的演出效果、镜头、人物动作、故事等维度,要进行良好的体验设计,引人入胜;游戏要体现足够的内容拓展性,具备持续的用户体验动力。
(2)工程内涵
① 工程知识与游戏主题结合的合理性:工程知识内容与游戏形式相匹配,不牵强。游戏操作方式、交互方式与真实工程场景相似度高。
② 工程知识体系的完整性与准确性:游戏包含的工程知识较为完整地涵盖了某一个领域或专业版块的内容;所涉及的工程知识无明显错误。
(3)完成度
Demo完成度:Demo对游戏创意的实现程度,包括以下各方面:
① 将方案上的功能和设计按照计划一一实现出来的程度。若预计实现的功能最后没有实现,则表示版本完成度较低。
② 美术资源的完整程度以及是否达到最终效果。如果有部分美术素材品质明显低于平均水平,或者缺少贴图、缺少效果,甚至视觉表现上有故障,则表示美术完成度较低。
③ 技术上是否存在不完整、有Bug的情况。如果有部分功能尚未完成,有缺陷和故障,或者摆在游戏里的按钮却不能按下(或按下没有反应的),则表示技术完成度较低。
④ 缺乏音效、音乐、文字、图片等,则表示技术完成度较低。
2)企业运营仿真赛项
通过现代企业商务运营虚拟仿真实验平台。参赛选手组建经营团队,创建一家生产制造型企业,模拟该企业的经营过程。在企业运营过程中,竞赛团队应充分考虑企业的外部环境和内部运营状况,结合竞争对手情况,制定科学合理的企业运营策略,规避企业运营风险,实现企业运营目标。用时3-4小时。
四、竞赛秘书处
联系人:韩琳楠、电话:13701678529、地址:宝山校区HD楼406室
